一、仪表概述:
电接点压力式温度计适用于生产过程中较远距离的非腐蚀性液体或气体的测量,电接点型压力式温度计能在工作温度达到和超过给定值时发出电讯号。
二、测量原理:
电接点压力式温度计的原理是基于密闭测温系统内蒸发液体的饱和蒸气压力和温度之间的变化关系,而进行温度测量的。当温包感受到温度变化时,密闭系统内饱和蒸气产生相应的压力,引起弹性元件曲率的变化,使其自由端产生位移,再由齿轮放大机构把位移变为指示值。
三、适用场合:
温度计应用于生产现场对温度需自动控制和报警。可以直接测量各种生产过程中的-80℃-+500℃范围内液体、蒸汽和气体介质温度。适用于中性腐蚀液体和气体。
四、性能特点:
1、具有测温探头小,灵敏度高、线性刻度、寿命长等特点;
2、具有远传输出电阻信号(PT100),抗震性,耐腐蚀性及大功率开关信号等多种功能;
3、结构形式与**同类产品相同,可替代进口;
4、电接点远传。

五、技术指标:
1、时间常数: 15S (蒸汽型) 30S(气体型)
2、接点容量:10VA(无感) zui高工作电压:交流220V,接点为上、下限。
3、工作环境温度:- 10~+55 摄氏度
4、指示*度:1.5(测量范围部分的要求)
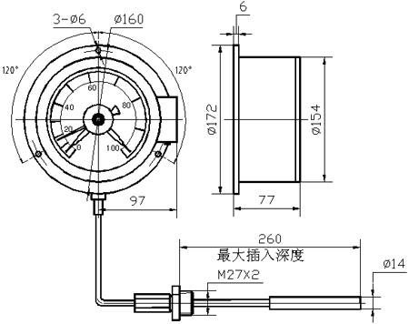
WTZ-288、WTQ-288
六、外接线路参考:
WTZ(Q)-280型系列电接点温度计上下限电装置的接点容量为10VA无感,所以每个用户都要解决接点功率放大问题,为了方便用户,我们将具有抗振和灭弧效果的功放线路推荐如下
线路提示:该功放线路中的下限接点只要接触一次,线圈回路便进入自锁状态,也只有当上限接点动作一次,下限回路才退出自锁,从而实现保护电触头的要求。
汉威电接点压力式温度计厂家,公司产品**应用于核电、冶金、轻工、环保、建筑、冶金电力、石油化工、天然气、煤制气、医药、自来水公司和仪表厂家等,用户遍布全国。汉威**设计制造玻璃板液位计,威电接点压力式温度计厂家,玻璃管液位计,超声波液位计,磁翻板液位计等,涵盖液位仪表,电接点压力式温度计,物位仪表几十个品种数百种规格的完整产品链,包括各种液位的测量、控制和传感器及配套仪表的开发研制和生产。